山东佳和阀门科技有限公司 捷达阀门 皇冠阀门

联系电话: 13791500591
山东佳和阀门科技有限公司 以诚信赢得声誉·以质量保证效益
您的位置: 主页 > 产品中心 > 阀门系列 >

全国服务热线

13791500591
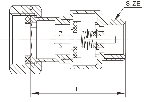
4003(表前) 水表伸缩止回阀(防干扰阀)
皇冠阀门4003(表前)水表伸缩止回阀(防干扰阀)
全国热线

13791500591

详细信息

热品推荐 / Hot product
PPR球阀

PPR球阀

捷达阀门 PPR球阀DN20-DN63
5019 铜制浮子式自动排气阀

5019 铜制浮子式自动排气阀

皇冠阀门5019铜制浮子式自动排气阀